Skip to content
(832) 532-3112
PRODUCTS
Blower Technology
Multistage Centrifugal
Multistage Cutsheets
Single Stage Geared Turbo
Single Stage Cutsheet
High-Speed Gearless Turbo
Gearless Cutsheets
Compressor Technology
Control Panels
sLOC™ Local Control Panels
sMAC™ Master Control Panels
sLINK™ Remote Monitoring and Services
Controls Cutsheets
Packaged Solutions
Accessories
Dryer-Desiccant
Lubricants
Inlet Air Filters
Purge Panels
SERVICES
Services Overview
Overhaul, Rebuild & Repair Service
Performance Change
Testing Facilities
Field Service
Service Contracts
Parts – Blower and Compressor
Controls Service and Upgrade
Remanufactured Drop In Replacements
Training Service & Maintenance
Technician Training Session – Multistage Geared Blower Class
Technician Training Session – Single Stage Geared Blower Class
Technician Training Session – TurboMax Gearless Blower Class
System Audits
Used Blowers & Compressors
RENTALS
Rental Services
Rent to Own
Emergency Rental
Long Term Rentals
Leasing
Positive Displacement Blower Rentals
APPLICATIONS
Water & Wastewater Treatment Aeration Blower Solutions
Landfill Gas Biogas
Environmental – Bio-Gas
Mining Air Compressors and Blowers by Lone Star Turbo
CO2 Carbon Capture Blowers and Compressors
Power Plants Generation Utility Power Compressors and Blowers
General Industrial
PetroChemical
Vacuum and Conveying
COMPANY
About Us
Vision Mission Values
Careers
Testing and Certifications
Research and Development
News and Events
Tradeshow Schedule
Press Release
RESOURCES
Product Brochures
Cutsheets
Single Stage Cutsheets
Multistage Cutsheets
Gearless Cutsheets
Controls Cutsheets
PRODUCTS
Blower Technology
Multistage Centrifugal
Multistage Cutsheets
Single Stage Geared Turbo
Single Stage Cutsheet
High-Speed Gearless Turbo
Gearless Cutsheets
Compressor Technology
Control Panels
sLOC™ Local Control Panels
sMAC™ Master Control Panels
sLINK™ Remote Monitoring and Services
Controls Cutsheets
Packaged Solutions
Accessories
Dryer-Desiccant
Lubricants
Inlet Air Filters
Purge Panels
SERVICES
Services Overview
Overhaul, Rebuild & Repair Service
Performance Change
Testing Facilities
Field Service
Service Contracts
Parts – Blower and Compressor
Controls Service and Upgrade
Remanufactured Drop In Replacements
Training Service & Maintenance
Technician Training Session – Multistage Geared Blower Class
Technician Training Session – Single Stage Geared Blower Class
Technician Training Session – TurboMax Gearless Blower Class
System Audits
Used Blowers & Compressors
RENTALS
Rental Services
Rent to Own
Emergency Rental
Long Term Rentals
Leasing
Positive Displacement Blower Rentals
APPLICATIONS
Water & Wastewater Treatment Aeration Blower Solutions
Landfill Gas Biogas
Environmental – Bio-Gas
Mining Air Compressors and Blowers by Lone Star Turbo
CO2 Carbon Capture Blowers and Compressors
Power Plants Generation Utility Power Compressors and Blowers
General Industrial
PetroChemical
Vacuum and Conveying
COMPANY
About Us
Vision Mission Values
Careers
Testing and Certifications
Research and Development
News and Events
Tradeshow Schedule
Press Release
RESOURCES
Product Brochures
Cutsheets
Single Stage Cutsheets
Multistage Cutsheets
Gearless Cutsheets
Controls Cutsheets
PRODUCTS
Blower Technology
Multistage Centrifugal
Multistage Cutsheets
Single Stage Geared Turbo
Single Stage Cutsheet
High-Speed Gearless Turbo
Gearless Cutsheets
Compressor Technology
Control Panels
sLOC™ Local Control Panels
sMAC™ Master Control Panels
sLINK™ Remote Monitoring and Services
Controls Cutsheets
Packaged Solutions
Accessories
Dryer-Desiccant
Lubricants
Inlet Air Filters
Purge Panels
SERVICES
Services Overview
Overhaul, Rebuild & Repair Service
Performance Change
Testing Facilities
Field Service
Service Contracts
Parts – Blower and Compressor
Controls Service and Upgrade
Remanufactured Drop In Replacements
Training Service & Maintenance
Technician Training Session – Multistage Geared Blower Class
Technician Training Session – Single Stage Geared Blower Class
Technician Training Session – TurboMax Gearless Blower Class
System Audits
Used Blowers & Compressors
RENTALS
Rental Services
Rent to Own
Emergency Rental
Long Term Rentals
Leasing
Positive Displacement Blower Rentals
APPLICATIONS
Water & Wastewater Treatment Aeration Blower Solutions
Landfill Gas Biogas
Environmental – Bio-Gas
Mining Air Compressors and Blowers by Lone Star Turbo
CO2 Carbon Capture Blowers and Compressors
Power Plants Generation Utility Power Compressors and Blowers
General Industrial
PetroChemical
Vacuum and Conveying
COMPANY
About Us
Vision Mission Values
Careers
Testing and Certifications
Research and Development
News and Events
Tradeshow Schedule
Press Release
RESOURCES
Product Brochures
Cutsheets
Single Stage Cutsheets
Multistage Cutsheets
Gearless Cutsheets
Controls Cutsheets
PRODUCTS
Blower Technology
Multistage Centrifugal
Multistage Cutsheets
Single Stage Geared Turbo
Single Stage Cutsheet
High-Speed Gearless Turbo
Gearless Cutsheets
Compressor Technology
Control Panels
sLOC™ Local Control Panels
sMAC™ Master Control Panels
sLINK™ Remote Monitoring and Services
Controls Cutsheets
Packaged Solutions
Accessories
Dryer-Desiccant
Lubricants
Inlet Air Filters
Purge Panels
SERVICES
Services Overview
Overhaul, Rebuild & Repair Service
Performance Change
Testing Facilities
Field Service
Service Contracts
Parts – Blower and Compressor
Controls Service and Upgrade
Remanufactured Drop In Replacements
Training Service & Maintenance
Technician Training Session – Multistage Geared Blower Class
Technician Training Session – Single Stage Geared Blower Class
Technician Training Session – TurboMax Gearless Blower Class
System Audits
Used Blowers & Compressors
RENTALS
Rental Services
Rent to Own
Emergency Rental
Long Term Rentals
Leasing
Positive Displacement Blower Rentals
APPLICATIONS
Water & Wastewater Treatment Aeration Blower Solutions
Landfill Gas Biogas
Environmental – Bio-Gas
Mining Air Compressors and Blowers by Lone Star Turbo
CO2 Carbon Capture Blowers and Compressors
Power Plants Generation Utility Power Compressors and Blowers
General Industrial
PetroChemical
Vacuum and Conveying
COMPANY
About Us
Vision Mission Values
Careers
Testing and Certifications
Research and Development
News and Events
Tradeshow Schedule
Press Release
RESOURCES
Product Brochures
Cutsheets
Single Stage Cutsheets
Multistage Cutsheets
Gearless Cutsheets
Controls Cutsheets
Contact
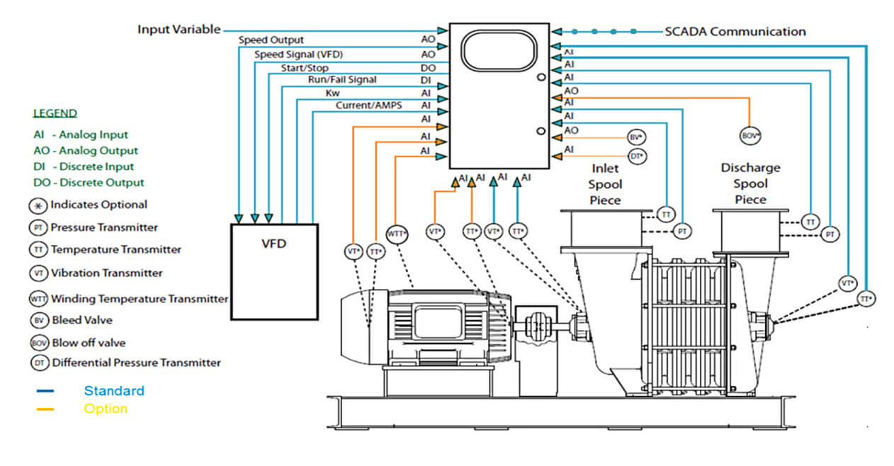
MULTISTAGE CENTRIFUGAL BLOWER
PACKAGED SYSTEM
Product Overview
Core Technology
Packaged System
Model Data & Performance
Click for Your State or Territory Rentals, Repairs, Services, Replacements, Parts
Emergency Rentals
Factory Service Overview
Field Service Overview
Overhauls
Aftermarket Lone Star Parts
Testing and Certifications
Change Performance
Controls Service and Upgrade
System Audits
Maintenance Contracts
Remote Monitoring Services
Drop-in Replacement Blowers
Drop-in Replacement Compressor
Service & Maintenance Training
Lubricants
New Blowers
New Compressors
Packaged System Air Service
Complete Packages or Component Options
Standard or Custom Engineered
Tested as Complete Systems
Optional Hazardous Location to
Class1, Division 1
Zone 0
Atex
sLOC™ Control Options
Flow Range can be from 100% to 40% of Flow
Gas Applications Need a Recirculation Line with Intercooler for lower flow rates
Vacuum applications need a modulated bleed valve
sLOC™ Speed Control Examples
Variable Speed requires dynamic set points in relation to performance curve
Control of dynamic compressors with speed requires experienced programmers